|
- 外形寸法について - W×D×H=縦×横×高さ(ピン長含まず) |
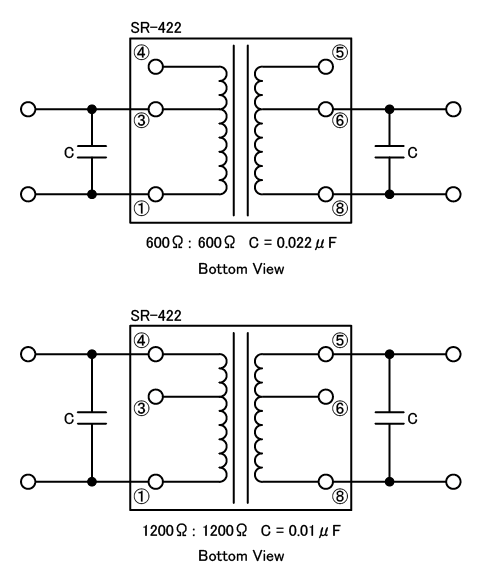
| 600Ω:600Ω | ||
|
SR-422 絶縁強化型 |
外形寸法(mm) | 配線図 |
|
W×D×H= 20×13×13 |
![]() |
![]() |
仕 様 |
| 使用周波数 | 200Hz~4000Hz | 入力レベル | 10mV~1V |
| インピーダンス |
①-③:⑧-⑥=600Ω:600Ω ①-④:⑧-⑤=1200Ω:1200Ω |
動作減衰量 | 1kHz 1Vにおいて -1dB以内(基本回路による) |
| 損失偏差 | 200Hz~4000Hzにおいて±0.5dB以内 | フィルタ特性 | カットオフ周波数 10kHz(基本回路による) |
| 直流抵抗 |
①-③間 43Ω±15%、①-④間 63Ω±15% ⑧-⑥間 43Ω±15%、⑧-⑤間 63Ω±15% |
耐 電 圧 | AC3000V 1次~2次~コアー間 |
| 絶縁抵抗 | DC500V、100MΩ以上 1次~2次~コアー間 | |
|
SR-851 絶縁強化型 |
外形寸法(mm) | 配線図 |
|
W×D×H= 20×17×16 |
![]() |
![]() |
仕 様 |
| 使用周波数 | 300Hz~4000Hz | 入力レベル | 10mV~1V |
| インピーダンス | 600Ω:600Ω | 動作減衰量 | 1kHz 1Vにおいて-1.5dB以内 |
| 損失偏差 | 300Hz~4000Hzにおいて±0.5dB以内 | 直流抵抗 | 20℃において ①-④間 32Ω±15%、⑧-⑤間 42Ω±15% |
| 耐 電 圧 | AC2000V 1次~2次~コアー間 | 絶縁抵抗 | DC500V、100MΩ以上 1次~2次~コアー間 |
| 600Ω:600Ω/300Ω/600Ω[不平衡] | ||
|
SR-604 絶縁強化型 |
外形寸法(mm) | 配線図 |
|
W×D×H= 20×13×13 |
![]() |
![]() |
仕 様 |
| 使用周波数 | 200Hz~4000Hz | 入力レベル | 10mV~1V |
| インピーダンス | 600Ω:600Ω/300Ω/600Ω | 動作減衰量 |
1kHz 1Vにおいて -4dB以内 (電力損失-3dB含む、基本回路による) |
| 損失偏差 |
200Hz~4000Hzにおいて±0.5dB以内 (基準 1kHz 1V) |
|
| フィルタ特性 | カットオフ周波数 10kHz(基本回路による) | 直流抵抗 | 20℃ ①-③間 42Ω±15%、⑤-⑥、⑦-⑧間 各48Ω±15% |
| 耐 電 圧 | AC3000V 1次~2次~コアー間 | 絶縁抵抗 | DC500V、100MΩ以上 1次~2次~コアー間 |
|
SR-864 絶縁強化型 |
外形寸法(mm) | 配線図 |
|
W×D×H= 20×17×16 |
![]() |
![]() |
仕 様 |
| 使用周波数 | 300Hz~4000Hz | 入力レベル | 10mV~1V |
| インピーダンス | 600Ω:600Ω/300Ω/600Ω | 動作減衰量 | 1kHz 1Vにおいて -4.5dB以内(電力損失-3dB含む) |
| 損失偏差 |
300Hz~4000Hzにおいて±0.5dB以内 (基準 1kHz 1V) |
|
| 直流抵抗 | 25℃ ①-④間 30Ω±15%⑦-⑤、⑧-⑥間 各43Ω±15% | 耐 電 圧 | AC2000V 1次~2次~コアー間 |
| 絶縁抵抗 | DC500V、100MΩ以上 1次~2次~コアー間 | |









